İkitelli Org. San. Bölg. Dolapdere San. Sitesi 12. Ada No.89 – 87 Başakşehir / İstanbul.
tr
Sitemize ürünler eklenme aşamasındadır.
Kurulduğumuz günden bugüne birçok ürünün satışını ve hizmetlerini sürdürmekteyiz. Hizmet verdiğimiz ürünler sitemize eklenme aşamasında olup bizi takip etmeye devam edin.
Ürünlerimiz

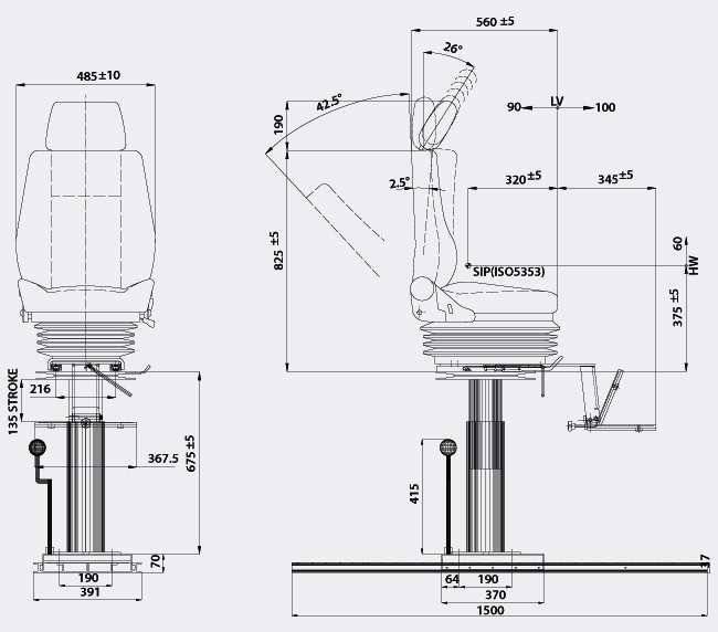
MP488H6 LİFT

SÜSPANSİYONSUZ LİFT MEKANİK
MP488H6 LİFT TEKNE MARİN GEMİ KOLTUKLARI
  • ÜRÜN KODU:  MP488H6/LİFT
  • Alüminyum ayak dayama*
  • Yüksekliği ayarlanabilir alüminyum pedestal*
  • Kilit mekanizmalı alüminyum montaj rayı *
  • 360 derece döner tabla*
  • Açı ve yükseklik ayarlı kafalık
  • Standartlara göre emniyet kemeri bağlantı noktaları..
  • İleri geri kızak
  • Süspansiyonsuz mekanik makas sistemi ile yükseklik ayarı
  • Daha fazla konfor sağlamak için arkalık ayarı
  • Daha iyi konfor için koltuk eğimi ayarı

Ürün Resimleri
Sıkça Sorulan Sorular
Ürüne kol dayama, emniyet kemeri, döner tabla vb özellikler takılabilir veya üründen çıkarılabilir mi?
Evet. Ürünlerimiz çoğunlukla tüm opsiyonlar koltuk üzerinde olacak şekilde katalog çekimi yapılmaktadır. Üründeki standart özellikleri ve ilave edilebilir opsiyonel özelliklerin bulunduğu tabloyu ürün görselleri arasında görebilirsiniz.
Kaplaması farklı renklerde deri veya kumaş döşeme olarak yapılabilir mi?
Evet. Farklı renklerde deri, vinleks döşeme yapılabilir olmakla birlikte opsiyonel olarak sunulan kumaş döşeme/kaplamada yapılabilmektedir.
Koltuğun altındaki ürünleri yükseltici(pedestal), ayak dayama ve montaj rayını istemiyorum.
Tek koltukla ilgili bizden fiyat teklifi alabilirsiniz. Koltuk altında bulunan ek ürünler opsiyonel olarak ürünle birlikte veya harici olarak talepte bulunabileceğiniz gibi aynı zamanda ayrı ayrı yedek parça olarakta alabilirsiniz. Ürünü talep ederken alt kısımları isteyip, istemediğinizi lütfen belirtiniz.
Mekanik, havalı, elektrikli havalı ürün farkı nedir?
Mekanik sistem ürünler herhangi bir kompresöre, havaya destek duymadan yay, makas, ve amortisör bileşenleriyle süspansiyon yapmaktadır.
Havalı sistem ürünler daha ergonomik için tasarlanmış, içerisinde körük, makas, amortisör bulunan harici kompresör destekli çalışan ürünler.
Elektrikli havalı 12/24 volt ürünler ise içerisinde kompresör, körük, makas, amortisör bulunan, çakmaklıktan, aküden vb. yerlerden alacağınız elektrik ile havayı kendisi üreten, harici kompresöre destek duymayan sistem.

bazı elektrikli havalı ve normal havalı ürünlerimize aynı zamanda standart amortisör haricinde + olarak darbe emici, sertlik ve yumuşaklığı ayarlanabilir amortisör vb. özellikler eklenebilerek daha rahat bir sürüş sağlanmaktadır.
Ürün ve Hizmetlerimiz Hakkında Daha Fazla Bilgi Almak İçin Bizi Arayabilirsiniz: